了解你所用語言和所在地區的世邦工業的信息.
24H全國咨詢熱線
021-58386699
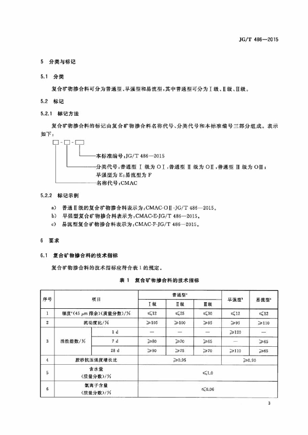
混凝土摻合料應用技術就是利用活性摻合料與水泥,經合理搭配使其可以滿足不同性能的混凝土要求,而且保證價格低廉的工藝。而只有專業化生產混凝土復合摻合料時才能使其成為可能。本標準適用于混凝土用復合礦物摻合料的生產和檢驗。
手機隨時查詢掃碼查看
為了給您更高效的服務,歡迎點擊“在線咨詢”直接聯系我們在線工程師!
需求提交成功,正在為您下載......
或者點擊
混凝土用復合摻和料
保存文件
全國服務熱線:400-696-1899
銷售熱線:021-58386699
滬ICP備06053530號-1© 世邦工業科技集團股份有限公司 版權所有網站地圖 | 法律聲明 | 聯系我們